ساخت تابلو برق ساده [آموزش مونتاژ تابلو برق + نقشه]
| مراحل | توضیحات |
|---|---|
| آمادهسازی بدنه تابلو | انتخاب و آمادهسازی بدنه فلزی طبق ابعاد مورد نیاز؛ تعیین محل نصب ریلها، فیوزها و کلیدها برای نظم داخلی. |
| نصب تجهیزات قدرت و فرمان | قرار دادن کلید اصلی، فیوز، کنتاکتور و ترمینالها روی ریل؛ تفکیک تجهیزات قدرت در پایین و فرمان در بالا برای دسترسی بهتر. |
| سیمکشی داخلی و شمارهگذاری | اجرای سیمکشی طبق نقشه و شمارهگذاری سیمها؛ استفاده از رنگبندی استاندارد برای فاز، نول و ارت جهت سهولت تعمیرات. |
| بررسی نهایی و تست عملکرد | کنترل صحت اتصالات با مولتیمتر و تست مرحلهای تجهیزات پس از تغذیه تابلو از برق اصلی برای اطمینان از عملکرد ایمن. |
امروزه تابلو برقها به عنوان قلب سیستم توزیع انرژی در هر ساختمان، کارگاه یا مجموعه صنعتی شناخته میشوند. نقش آنها در حفاظت، کنترل و نظمبخشی به مدارهای الکتریکی حیاتی است.
بسیاری از تکنسینها و علاقهمندان به برق صنعتی به دنبال یادگیری ساخت تابلو برق ساده هستند تا بتوانند با درک اصول طراحی و مونتاژ، عملکرد مطمئن و ایمنی برای سیستم برق خود ایجاد کنند.
در ادامه ، مراحل اصلی طراحی و مونتاژ تابلو برق را به زبان ساده و کاربردی مرور میکنیم تا مسیر عملی اجرای آن بهصورت روشن و گامبهگام مشخص شود.
آشنایی با مفهوم تابلو برق
پیش از ورود به نحوه مونتاژ، لازم است ابتدا با مفهوم و ساختار کلی تابلو برق آشنا شویم. تابلو برق محفظهای فلزی است که اجزای مختلف از جمله کلیدها، فیوزها، رلهها، شینهها و تجهیزات حفاظتی در آن نصب میشوند. هدف آن توزیع بهتر انرژی الکتریکی و حفاظت از مدارهای فرعی در مقابل اضافهبار، اتصال کوتاه و افت ولتاژ است.
در طراحی و ساخت تابلو برق ساده، اصل بر سادگی اتصالات، ایمنی کاربران و رعایت استانداردهای بینالمللی (مانند IEC 61439) است. هر تابلو باید بر اساس نقشه تکخطی، جریان نامی و تعداد مدارها طراحی و سیمکشی شود.
ابزار و تجهیزات مورد نیاز
انجام پروژه ساخت تابلو بدون ابزار مناسب، علاوه بر کاهش دقت، احتمال خطر را نیز بالا میبرد. در گام نخست، موارد زیر باید آماده شوند:
- پیچگوشتی دوسو و چهارسو مقاوم
- سیمچین و دمباریک صنعتی
- سیم لختکن
- دریل و پیچ مخصوص نصب تجهیزات روی ریل
- مولتیمتر یا تستر ولتاژ برای کنترل مدار
- دستکش عایق و کفش ایمنی
در فرآیند ساخت تابلو برق ساده تأکید اصلی بر رعایت ایمنی حین کار است، زیرا حتی ولتاژهای پایین نیز در صورت بیاحتیاطی میتوانند خطرناک باشند.
مراحل گام به گام مونتاژ تابلو برق
پیش از نصب تجهیزات، طراحی نقشه برق دقیق و بررسی مسیر ورودی و خروجی کابلها ضروری است. در ادامه، مراحل اجرایی را بهترتیب مرور میکنیم:
1. آمادهسازی بدنه تابلو
ابتدا بدنه فلزی تابلو با در نظر گرفتن ابعاد مورد نیاز آماده میشود. در این مرحله لازم است محل نصب ریلها، فیوزها و کلیدها مشخص گردد. برای رعایت نظم داخلی، ریلها معمولاً در محلهای افقی یا عمودی متناسب با نقشه طراحی نصب میشوند.
2. نصب تجهیزات قدرت و فرمان
در این گام، کلید اصلی، فیوزها، کنتاکتورها و ترمینالها روی ریل قرار میگیرند. اصولاً تجهیزات قدرت در بخش پایین تابلو و تجهیزات کنترل (مثل تایمر یا بوبین رله) در قسمت بالایی نصب میشوند. مهم است که اتصالات کابلها کوتاه، منظم و با سرسیم مناسب انجام گردد.
3. سیمکشی داخلی و شمارهگذاری
یکی از حساسترین بخشها در آموزش ساخت تابلو برق ساده، نحوه سیمکشی داخلی است. برای سهولت در تعمیرات آتی، باید سیمها طبق نقشه شمارهگذاری شوند. سیم فاز، نول و ارت رنگبندی مشخصی دارند (قرمز یا قهوهای برای فاز، آبی برای نول و سبز-زرد برای ارت).
4. بررسی نهایی و تست عملکرد
پس از اتمام مونتاژ با استفاده از مولتیمتر پیوستگی مسیرها و درستی اتصالات بررسی میشود. سپس تابلو با برق اصلی تغذیه شده و تمامی تجهیزات بهصورت مرحلهای تست میگردند تا از صحت عملکرد اطمینان حاصل شود.
هزینه ساخت تابلو برق ساده با ساتل تابلو
در طراحی و اجرای یک تابلو برق، عامل قیمت همواره از دغدغههای اصلی کارفرماها و تکنسینها است. هزینه ساخت تابلو برق ساده به چند مؤلفه فنی بستگی دارد؛ از جمله نوع تجهیزات قدرت و کنترلی، جنس بدنه تابلو، ظرفیت جریان نامی، و پیچیدگی سیمکشی داخلی. مجموعه ساتل تابلو آسیا با تکیه بر تجربه بیش از سه دهه فعالیت در حوزه طراحی و مونتاژ انواع تابلوهای برق فشار ضعیف، خدمات خود را بهصورت شفاف، اقتصادی و مطابق با استانداردهای بینالمللی ارائه میدهد. هدف این مجموعه، ترکیب کیفیت بالا با قیمت بهصرفه برای پروژههای خانگی، تجاری و کارگاهی است.
به سبب نوسانات پیاپی بازار، کلیه قیمتها بر اساس دلار محاسبه و اعلام میگردد.
| نام محصول | شروع قیمت (دلار) |
|---|---|
| ساخت تابلو برق ساده | $50 |
| مونتاژ تابلو برق | $50 |
| مونتاژ تابلو برق ساختمان | $50 |
| مونتاژ تابلو برق سه فاز | $50 |
نکات ایمنی و فنی مهم
در زمان طراحی و مونتاژ هر تابلو، رعایت جزئیات فنی میتواند مانع بسیاری از خطرات شود. برخی از نکات مهم عبارتند از:
- هرگز تابلو را در محیطهای مرطوب بدون عایق مناسب نصب نکنید.
- اتصالات پیچها باید محکم ولی بدون ایجاد فشار اضافی بر خازن یا فیوز باشند.
- از سیمهای استاندارد با سطح مقطع مناسب استفاده کنید.
- محل عبور کابل ورودی و خروجی باید دارای گلند جهت جلوگیری از بریدگی یا فرسایش باشد.
رعایت این اصول در ساخت تابلو برق ساده، عمر تجهیزات را افزایش داده و خطرات احتمالی مانند آتشسوزی یا اتصال کوتاه را به حداقل میرساند.

کاربردها و مزایای تابلوهای ساده
تابلوهای برق ساده بهویژه در سیستمهای خانگی، تجاری کوچک و کارگاههای تکفاز بسیار کاربرد دارند. از جمله مزایای اصلی آنها:
- سهولت در نگهداری و تعمیر
- هزینه پایین در مقایسه با تابلوهای صنعتی بزرگ
- امکان توسعه و افزودن مدارهای جدید در آینده
- قابلیت سفارشیسازی مطابق نیاز مصرفکننده
به همین دلیل پروژههای عمرانی، تأسیسات ساختمانی و واحدهای تولیدی کوچک برای کنترل مدارهای روشنایی و پریزها از این نوع تابلو استفاده میکنند.
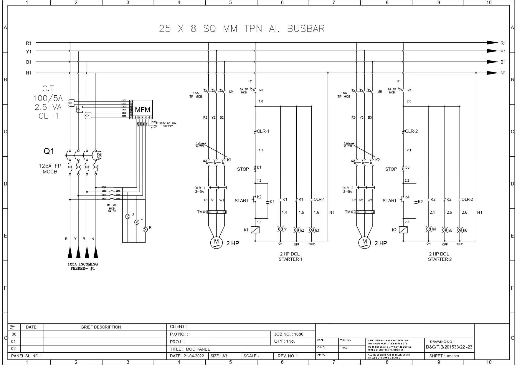
نقشه تابلو برق ساده؛ نحوه اتصال کلید اتومات، شینه و خروجیها
همان طور که در عکس زیر مشاهده میکنید، نقشه تابلو برق ساده مسیر جریان را از ورودی اصلی تا خروجیها نشان میدهد. ابتدا برق سه فاز از طریق کلید اتومات (MCCB) وارد تابلو شده و سپس به شینههای فاز و نول منتقل میشود. از این شینهها، انشعابات مختلف برای مدارهای روشنایی یا پریزها گرفته میشود.
در ادامه مسیر، کنتاکتور و بیمتال برای کنترل و حفاظت موتور نصب میشوند و چراغهای سیگنال وضعیت هر فاز را نمایش میدهند. اتصال صحیح شینه ارت نیز برای افزایش ایمنی و جلوگیری از برقگرفتگی ضروری است.
در جدول زیر میتوانید اجزای اصلی نقشه تابلو برق سه فاز ساده را ببینید:

جمعبندی
در این مطلب با مراحل کلیدی و اصول طراحی برای ساخت تابلو برق ساده آشنا شدیم. از آمادهسازی بدنه تا سیمکشی داخلی، هر مرحله نیازمند دقت، رعایت ایمنی و شناخت کافی از نقشه مدار است. یک تابلو برق اگرچه در ظاهر سازهای ساده به نظر میرسد، اما در واقع نقشی حیاتی در ایمنی و کارایی سیستم برق ایفا میکند.
شرکت ساتل تابلو آسیا با بیش از سه دهه تجربه در طراحی و تولید انواع تابلوهای فشار ضعیف و متوسط، ضمن رعایت استانداردهای بینالمللی و استفاده از فناوری روز، آماده ارائه خدمات مشاوره، طراحی و اجرای کامل پروژههای مرتبط با تابلوهای برق میباشد. اگر ساخت تابلوی خود را به دست متخصصان این حوزه بسپارید، اطمینان، دوام و ایمنی را همزمان به دست آوردهاید.
مطالب مرتبط:



