تابلو بانک خازنی وظیفه ورود توان راکتیو را به مدار دارد که سبب کاهش هزینه های برق شده و شبکه برق نیز فشار کمتری را متحمل می شود. این تابلوها که از جمله متداول ترین و کاربردی ترین وسایل اصلاح ضریب توان شبکه به شمار می روند بسته به نیاز مشتری و با توان های راکتیو مختلف طراحی می شوند.
برای استعلام قیمت، مشاوره و خرید تابلو بانک خازنی لطفا با شماره 02157718 تماس حاصل فرمایید.
وظیفه اصلی خازن ها تنظیم جریان انرژی و ذخیره انرژی الکتریکی می باشد، از همین جهت خازن ها یا به صورت تکی و یا به صورت چندتایی در یک تابلو به کار رفته و به صورت سری یا موازی به هم متصل می شوند. در حالت کلی هر چقدر که شما تعداد خازن بیشتری در مدار داشته باشید، انرژی ذخیره شده روی دستگاه بیشتر می شود.
نحوه عملکرد این تجهیزات نیز به نوع توان مصرفی شبکه بستگی دارد به عنوان نمونه در صورت نیاز به توان راکتیو (کارخانه ها و برخی بخش های صنعتی، علاوه بر استفاده از توان اکتیو به توان راکتیو نیز نیاز دارند)، تابلو بانک خازن توان مصرفی را وارد مدار کرده و توان لازم برای استارت الکتروموتور را از شبکه برق حذف می کند. همین موضوع در ادامه باعث کاهش هزینه های مصرفی و وارد شدن فشار کمتر به شبکه برق خواهد شد.

بانک های خازنی در صنعت کاربرد زیادی دارد؛ زیرا بیشتر انرژی موجود در صنعت از نوع موتوری است که سبب ایجاد مسائلی چون افزایش جریان و افزایش مقطع کابل و سیم ها می شود؛ از این رو برای کاهش این مشکلات بهترین گزینه اضافه کردن تابلو بانک خازن به مدار است.
تجهیزاتی چون موتورها، سیم پیچ ها و ترانس ها هم از توان راکتیو و هم قدرت اکتیو استفاده می کنند. این قطعات در مصرف کننده های مختلفی مثل پروژکتورها، آسانسورها، ترانس های لامپ و ... به کار می روند که باعث افزایش مصرف توان راکتیو می شوند. راه حل کاهش مصرف توان راکتیو و انرژی در این وسایل استفاده از خاز موازی در مدار است. همچنین خازن ها جريان پيش فاز عناصر القايي را خثی کرده و سبب کاهش جریان مصرفی و کاهش افت ولتاژ در سیم ها می شوند.
بهبود ضریب توان یکی دیگر از دلایل استفاده از تابلوهای بانک خازن در صنعت است. تابلوهای بانک خازنی به دلیل داشتن قابلیت تنظیم و ثابت نگه داشتن ولتاژ می توانند از آسیب و خسارت به دستگاه ها و تجهیزات صنعتی جلوگیری کنند.

بانک خازنی به عنوان یکی از اجزای حیاتی سیستم های برقی شناخته میشود که وظیفهای بسیار مهم را در بهبود عملکرد و ایمنی سیستم برقی دارد. بانک خازنی به عنوان یک منبع ذخیرهسازی انرژی الکتریکی در سیستم برقی عمل میکند و همچنین به عنوان فیلتر الکتریکی برای حذف نویزهای اضافی از سیستم استفاده میشود.
یکی از اصلیترین وظایف بانک خازنی، تحمل تغییرات ولتاژ است. با افزایش بار سیستم، ولتاژ در طول خطوط برق کاهش مییابد. بانک خازنی به عنوان یکی از مهمترین اجزای سیستم برقی، به این صورت کار میکند که هنگامی که ولتاژ پایین میآید، انرژی خود را به مدار تزریق میکند و این باعث میشود که ولتاژ در سیستم برقی بازیابی شود.
بانک خازنی وظیفه بهینه سازی مصرف انرژی را دارد. با تأمین انرژی از طریق بانک خازنی، همه تجهیزات به صورت مؤثر و با توان مطلوب کار میکنند. بدون استفاده از بانک خازنی، تجهیزات میتوانند در کارایی خود کاستی داشته باشند و این باعث میشود که مصرف برق بیشتر شود.
در کاربردهای صنعتی، بانک خازنی به عنوان یکی از اصلیترین عوامل در کنترل فرایند صنعتی و بهبود عملکرد ماشین آلات استفاده میشود. با استفاده از بانک خازنی، میتوان ماشین آلات را از نوسانات و خطاهای ولتاژ محافظت کرد و به آنها کمک کرد تا در عملکرد بهتری از خود نشان دهند. همچنین، بانک خازنی در صنعت نفت و گاز نیز به منظور کنترل بار و بهبود کیفیت برق استفاده میشود.
وظیفه دیگر بانک خازنی، حفظ پایداری و حفاظت از تجهیزات سیستم برقی است. با استفاده از بانک خازنی، میتوان از نوسانات و پرشهای ولتاژ در سیستم برقی جلوگیری کرد و از ایجاد خسارت به تجهیزات جلوگیری کرد. این باعث کاهش هزینههای تعمیر و نگهداری سیستم برقی میشود.
بانک خازنی همچنین به عنوان یکی از اصلیترین اجزای سیستمهای حفاظتی نیز شناخته میشود. با استفاده از بانک خازنی، میتوان ترانسفورماتورها و مبدلهای برقی را از نوسانات و پرشهای ولتاژ حفاظت کرد و از ایجاد خسارت به آنها جلوگیری کرد.
بانک خازنی به عنوان یک تجهیز الکترونیکی در سیستم های برقی مورد استفاده قرار میگیرد. این تجهیز به منظور کمک به حفظ ولتاژ و جریان الکتریکی در شبکه های برق، بهبود فاکتور قدرت، کاهش افت ولتاژ، کنترل هارمونیکها و حفاظت از تجهیزات الکتریکی در سیستم های برقی استفاده میشود. همچنین بانک خازنی در برخی موارد به منظور کمک به راه اندازی موتورها و تعادل بار در شبکه های سه فاز مورد استفاده قرار میگیرد.
چنانچه مصرف کننده ها به طور پیوسته به توان راکتیو نیاز داشته باشند، بانک خازنی قادر است به صورت همیشگی به شبکه های برق ورودی مصرف کننده ها متصل باشد. همچنین در شرایطی که مصرف توان راکتیو افزایش می یابد، به شکل اتوماتیک خازن ها می توانند به شکل پله های خازنی به شبکه وارد شوند. دو نوع بانک خازنی برای فرآیند جبرانسازی وجود دارد که شامل بانک خازن ثابت و اتوماتیک است.
بانک خازنی نوع ثابت را می توان به طور مستقیم به کلید زیر الکتروموتورها متصل نمود؛ یا می توان با استفاده از یک حفاظت کلید فیوز در شبکه ورودی برق مجموعه، به صورت دستی خازن را از مدار خارج کرد.
در صورتی که بانک خازنی از نوع اتوماتیک باشد باید متناسب با مصرف کننده ها پله بندی را قرار داده و خازن را از طریق فرمان رگولاتور به کنتاکتورهای خازنی وارد مدار کرد.
بانک های خازنی معمولا در مکان های کوچک، سر بسته یا فضاهای صنعتی با وسعت کم درون محفظه های فلزی نصب می شوند که در عین جاگیر نبودن به تعمیرات زیادی نیز نیاز نخواهند داشت. همچنین طول عمر این خازن ها به علت آنکه در برابر عواملی همچون رطوبت، حرارت و.. محافظت می شوند، بالاتر از حالت عادی خواهد بود.
این مدل تابلوها روی تیر برق نصب شده و جهت اصلاح ضریب توان به کار می روند. اتصالات در این نوع تابلو به کمک کابل های روکش دار انجام خواهد شد.
بانک های فوق فشار قوی جهت دسترسی مصرف کننده ها به حجم توان نیروگاه های دور استفاده می شود و به علت طولانی بودن مسیر و افت ولتاژ بالایی که دارند، برای تامین توان راکتیو به بانک خازنی مخصوص نیاز خواهند داشت.
در صورتی که سیستم توزیع جهت حل کردن مشکل اضافه بار، به صورت موقت به خازن های شانت نیاز داشته باشد، از بانک های سایر استفاده می کنیم که به صورت یونیت های سه فاز و تک فاز طراحی شده اند.
این مدل انواع تابلو بانک خازن جهت تامین توان راکتیو، نزدیک بار مصرف می شود که با توجه به نیاز می توان به کمک توان راکتیو بانک را روشن و خاموش کرده و از ولتاژهای اضافه جلوگیری کرد.
این بانک ها نیز مشابه مورد قبلی در نزدیکی بار مصرف می شود تا بتواند توان راکتیو مورد نیاز سیستم را تامین کند. معمولا در سیستم هایی با تجهیزات متعدد که چند موردشان به توان راکتیو نیاز دارند، توان با توجه به نوع بار نوسان خواهد کرد.


یک خازن ایده آل برای به کارگیری در تابلو بانک خازن باید دارای ویژگی های زیر باشد.
خازن تابلو برق سه فاز هم که یکی از انواع تابلو برق خازنی است، می تواند به صورت های مختلف وجود داشته باشد. معمولا خازن سه فاز فشار ضعیف برای این نوع از تابلو ها استفاده می شود. این خازن ها در تابلو برق های صنعتی مورد استفاده قرار می گیرند و به انواع و شکل های مختلف مانند خازن بانک خازنی وجود دارند. در زیر به این خازن ها اشاره می کنیم.

این نوع از خازن که برای تابلو برق خازنی و انواع دیگر تابلو برق سه فاز مورد استفاده قرار می گیرد، می تواند به صورت خشک یا روغنی وجود داشته باشد. خازن های سیلندری گازی یا خشک حجم کمی دارند و با وزن کم خود می توانند در تمامی مدارها قرار بگیرند. هم چنین غیر اشتعال نیز بوده و با قیمت مناسب می توان آن ها را خریداری کرد. با این حال خازن های سیلندری روغنی دی الکتریک مایع دارند که به همین دلیل به روغنی معروف شده اند. این خازن ها نیز برای مدارهای مختلف مورد استفاده قرار می گیرند و می توانند مقاومت حرارتی قابل توجهی را از خود نشان دهند.

از دیگر خازن هایی که برای تابلو برق خازنی و انواع تابلو برق های دیگر کاربرد دارد، نوع مکعبی است. این. نوع از خازن ها نیز به صورت خشک، گازی و روغنی موجود است. عملکرد هر کدام از انواع مانند استوانه ای است و خازن های خشک مکعبی برای قدرت ۱۰ تا ۵۰ کیلو وار، ولتاژ کاری تا ۴۴۰ ولت دارند. هم چنین خازن های روغنی مکعبی نیز برای همین قدرت از ۴۰۰ تا ۴۴۰ ولت ولتاژ کاری دارند. این خازن ها نیز در اغلب مدارها استفاده شده و با توجه به برند آن ها از بازار خریده می شوند.
نصب تابلوهای خازنی از لحاظ اقتصادی به صرفه است؛ زیرا هزینه خرید و نصب این تابلو بانک خازن ها با صرفه جویی و کاهش هزینه برق کمتر از یک سال برگردانده می شود. با توجه به آنچه گفته شد می توان گفت استفاده از تابلو بانک خازن در مراکز صنعتی یک موضوع مهم و ضروری خواهد بود. برخی از مزایای به کارگیری تابلو بانک خازنی به شرح زیر است:

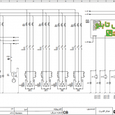
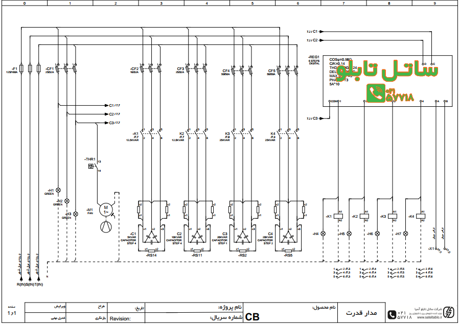
بانک خازن از قطعات مختلفی شامل فیلتر هارمونیک، خازن سه فاز، یک تابلو برق، کلید فیوز، کلید ورودی، رگولاتور و کنتاکتور خازنی ساخته شده که در ادامه به معرفی برخی از این قطعات می پردازیم.
خازن خشک از فیلم های معدنی ساخته شده اند که از جدیدترین تکنولوژی های ساخت به شمار می روند. خازن ها می توانند تجهیزات برقی را در برابر تغییرات هارمونیکی ایمن تر کنند، برای انسان و محیط زیست ضرری ندارند و کمتر دچار نشتی می شود. خازن ها از طریق قطع و وصل مداوم در جریان متناوب و ذخیره انرژی الکتریکی می توانند توان راکتیو تولید نمایند.
رگولاتورهای هوشمند در دو گروه 6 پله و 12 پله تولید و به بازار عرضه می شوند؛ نقش این قطعه در تابلو بانک خازن تنظیم کننده یا پردازنده است. رگولاتور اصلاح ضریب قدرت در محل ورود و خروج خازن به مدار و در بانک خازنی با هدف تنظیم ظرفیت خازن ها به کار می رود. به طوری که رگولاتور می تواند فرمان قطع و وصل کنتاکتور را از طریق اندازه گیری میزان توان راکتیو مصرف کننده صادر نماید که در نتیجه این فرمان خازن می تواند به مدار وارد یا از آن خارج گردد.
رگولاتور قابلیت قطع محدوده تغییر ضریب توان مطلوب، شناسایی پله های معیوب، هشدار نسبت به خرابی پله های خازن و قطع پله های بانک خازن در مواقع ایجاد اضافه بار ناشی از هارمونیک را دارد.
به توانی که بین منبع انتقال، بین خازن ها یا سلف ها منتقل می شود، توان راکتیو گفته می شود؛ به عبارت دیگر برقی که در مصرف کننده ها و مراکز صنعتی و تأسیسات وجود دارد و در تجهیزات، زیرساخت های نصب و کابل و لوله بار اضافه ایجاد می نماید توان راکتیو نام دارد. این قسمت از انرژی کاری انجام نمی دهد و تنها به شکل پیوسته بین بار و منبع جابه جا می شود.

بانک های خازنی در صنایع مختلف کاربرد دارند به عنوان مثال دو کاربرد مهم آن ها در پست فشار قوی و در منازل است. بانک خازن در پست برق فشار قوی در ظرفیت ها و ولتاژهای بالا طراحی و ساخته شده اند. همچنین جبران کننده ها یا بانک های خازن مورد استفاده در منازل در مقایسه با بانک خازنی پست برق فشار قوی از ظرفیت و ابعاد کمتری برخوردار هستند. سایر موارد استفاده از بانک خازنی شامل شبکههای انتقال انرژی، پستهای سوئیچینگ، شبکه توزیع و مراکز صنعتی است.
برای محاسبه بانک خازنی (ضریب قدرت) باید بدانید که این ضریب در واقع نسبت توان کار به توان ظاهری می باشد. پایین بودن این ضریب نشانگر آن است که شما از تمام ظرفیت الکتریکی که بابت آن هزینه داده اید، استفاده نمی کنید. در مقابل بالا بودن این ضریب بیان می کند که شما به طور موثر و مناسب در حال استفاده از قدرت الکتریکی هستید.
در ادامه برای محاسبه این ضریب ابتدا باید توان کاری (kW) را به توان ظاهری (kVA) تقسیم کنید. در این صورت عدد به دست آمده با عنوان ضریب قدرت(pf) معرفی می شود که در سیستم های سینوسی (خطی) معادل کسینوس دلتا (cos ɵ) است. بنابراین خلاصه روابط مورد نیاز شما به صورت زیر است:
PF= kW / kVA = cos ɵ kVA
برای درک بهتر به مثال زیر توجه کنید:
اگر شما دستگاهی با توان کاری معادل ۲۰۰ کیلووات داشته باشید، که توان ظاهری آن معادل ۲۴۵ کیلووات است، ابتدا باید ۲۰۰ را به ۲۴۵ تقسیم کرده و ضریب قدرت که در این مثال چیزی حدود ۰.۸ می شود را به دست آورید. در ادامه برای محاسبه بانک خازنی یکی از ماه هایی که در آن مصرف تان بالا بوده انتخاب کنید. حالا تعداد ساعات کار دستگاه را محاسبه کرده و با تقسیم صورت حساب به تعداد ساعات کارکرد ماهانه دستگاه قدرت خازن را محاسبه کنید.
به عنوان نمونه اگر صورت حساب شما معادل ۶۶۰۰۰ است و مدت زمان کارکرد ماهانه دستگاه (زمان پیک + بار زیاد) نیز معادل ۳۰۰ ساعت است، قدرت خازن به صورت زیر است:
۲۲۰=۶۶۰۰۰/۳۰۰
عملکرد تابلو بانک خازنی در شبکه های توزیع فشار ضعیف سبب جبران توان و افزایش ضریب توان راکتیو می شود؛ همچنین این تابلوها براساس نیاز مشتریان می توانند در توان های راکتیو مختلف طراحی و ساخته شوند.


بانک های خازنی اتوماتیک نوعی دیگری خازن است که دارای رگولاتور برای کنترل ضریب قدرت هستند. وظیفه رگولاتور اندازه گیری مقادیر شکل موج ولتاژ، جریان و اختلاف زمانی آن ها است؛ همچنین تعیین خازن مورد نیاز و وارد کردن به شبکه بر عهده رگولاتور است. این قطعه می تواند کنتاکتورها را که کار سوئیچ کردن خازن ها را بر عهده دارند، کنترل نماید. از تابلو بانک خازنی اتوماتیک می توان در بیمارستان ها، مجتمع های اداری - تجاری، کارخانه های کوچک و بزرگ و هتل ها استفاده کرد.
خازن هایی که برای تابلو برق بانک خازن مناسب هستند باید شامل ویژگی هایی به شرح زیر باشند:
بارهای شبکه در سه دسته بندی مهم به شرح زیر قرار می گیرند:

به منظور تعیین مقدار مناسب بانک خازنی روش های مختلفی برای جبران ری اکتیو سیستم به کار می رود که شامل موارد زیر است:

از آنجایی که ضریب توان برای هر مصرف کننده به عنوان یک پارامتر ثابت است، افراد قادر به تغییر آن نیستند. البته کاربران می توانند ضریب توانی را که شبکه از مصرف کننده نشان می دهد را بهبود دهند. برای اینکه ضریب توان مصرف کننده از دید کنتور برق یا شبکه نزدیک یک باشد می توان خازن مناسبی را در کنار هر مصرف کننده قرار داد؛ بنابراین بر اساس مصوب شرکت های برق منطقه ضریب توان های پایین تر از 0.9 جریمه می شوند. هزینه توان راکتیو این مصرف کننده ها در قبض های برق به صورت ضریب زیان از مشترکین و ضریب بدی مصرف درج می گردد.
داشتن اطلاعات دقیق در مورد نحوه سیم کشی تابلو بانک خازن بسیار کاربردی است. به عنوان مثال اطلاع از مشخصات سیستم جبران سازی در تعیین مکان و روش اتصال بسیار کمک می کند. روش تابلو بانک خازن یکی از انواع نحوه سیم کشی در ساختمان است که در این روش تابلو برق تقسیم واحد یک گزینه عالی در ساختمان های قدیمی برای جعبه تقسیم های پراکنده محسوب می شود.
در سیم کشی تابلو بانک خازن به طور کاملاً جدا از یکدیگر سیم کشی پریز های برق، سیم کشی روشنایی ها و سیستم های جریان ضعیف برق صورت می گیرد. همچنین خط بندی این موارد زیر به صورت انجام شده و منبع تغذیه همه آن ها تابلو تقسیم است. در این گونه سیم کشی زمانی که مسیری دچار اتصال یا خطا می شود بدون اینکه سایر مسیرها را در گیر کند و موجب قطع برق کل ساختمان شود، تنها همان مسیر اتصال از مسیر جریان برق خارج می گردد. معمولاً ورودی ساختمان و آشپزخانه می تواند بهترین محل برای نصب تابلو بانک خازنی باشد.


بانک های خازن از دسته تجهیزات استاتیک بوده و فاقد بخش چرخان هستند؛ بنابراین نیاز به نگهداری زیادی ندارند. البته این خازن ها در مواقع خطا یا مشکل بسیار خطرناک بوده و باید موارد مهمی را در بازرسی و نگهداری آن ها مورد توجه قرار داد.
بعد از جدا کردن بانک خازن از منبع توان حداقل 5 دقیقه صبر نمایید تا خازن توسط مقاومت های دشارژ خازن تخلیه شود. برای اطمینان از نبود انرژی ذخیره شده در خازن باید بعد از زمین کردن خازن و قبل از دست زدن به خازن ها همه واحدهای خازنی، اتصال کوتاه و زمین شوند.
این نوع خازن ها به دلیل تولید گاز و گرمای زیاد دارای فشار داخلی بالایی هستند که احتمال جرقه های احتمالی وجود دارد؛ بنابراین این خازن ها باید با دقت جا به جا شوند.
زمان نشتی خازن باید از تماس مایع نشت شونده به پوست و چشم ها جلوگیری کنید؛ همچنین دفع این مایع عایق باید بر اساس قوانین محیط زیست صورت گیرد.
تناوب بازرسی پست های فرعی و بانک های خازن توزیع و همچنین اندازه گیری های الکتریکی باید طبق شرایط منطقه ای مانند عوامل محیطی و نوع کنترلی که برای روشن و خاموش کردن خازن ها استفاده شده مشخص گردد.
پیش از پرداختن به این موضوع باید بدانید که در صورت استفاده از ژنراتور ما دو بخش ورودی برق خواهیم داشت که یکی مربوط به برق ژنراتور و دیگری مربوط به برق شهری است. در این شرایط تابلو بانک خازن در مسیر ورودی برق شهر نصب می شود و به طور همزمان با برق ژنراتور ارتباطی ندارد. به عبارت دیگر شما به کمک کلید چنج اور قادر به سوییچ کردن از برق شهری به برق ژنراتور خواهید بود، اما هیچ گاه نمی توانید به طور همزمان از آن ها ورودی جریان بگیرید.
به طور کلی با وجود خازن معمولا یک جریان هجومی و لحظه ای وارد مدار می شود که اگر این جریان در مدار ژنراتور اعمال شود، باعث افت ولتاژ آن خواهد شد. در پاسخ به این افت ولتاژ، بخش تثبیت کننده ولتاژ در ژنراتور وارد عمل شده و مدام تلاش می کند تا این مشکل را حل کند. متاسفانه در صورت تداوم این شرایط بخش استاتور و روتور ژنراتور دچار مشکل شده و قدرت میدان مغناطیسی شان جهت چرخش را از دست خواهند داد. در حقیقت همین منحل شدن میدان و آسیب رسیدن به ژنراتور دلیل آن است که چرا نباید از ژنراتور در کنار تابلو بانک خازن استفاده کنید.
در زمینه نصب و راه اندازی تابلو بانک خازن حتما به موارد زیر توجه کنید:

توجه: پیش از اقدام برای نصب تابلو بانک خازن باید تمام مسائل امنیتی و ایمنی را در نظر بگیرید، زیرا این تجهیزات با داشتن ولتاژهای بالا و خطرناک ممکن است صدمات جبران ناپذیری به همراه داشته باشند. بنابراین برای نصب و راه اندازی تابلوها حتما از افراد متخصص و ماهر کمک بگیرید.
برای اینکه مطمئن شوید آیا به تابلو بانک خازنی نیاز دارید یا خیر کافیست نگاهی به قبض برق خود بیندازید. در مجموع بهتر است بدانید که استفاده از تابلو بانک خازن در مواردی کاربرد دارد که شما توان راکتیو از منبع برق دریافت کنید. این توان به صورت یک عدد مشخص در قبض ذکر شده که توسط اداره برق محاسبه می شود و شما باید در قبال آن هزینه بپردازید. بنابراین با بررسی قبض و میزان توان راکتیو به راحتی متوجه می شوید که به بانک خازنی نیاز دارید یا نه. برای این کار مراحل زیر را دنبال کنید:
برای اینکه خرید تابلو بانک خازنی را انجام دهیم ابتدا نیاز است تا درباره قیمت و نحوه محاسبه آن اطلاعات داشته باشیم. بر روی قیمت تابلو بانک خازنی مواردی تاثیر گذار هستند که خریدار باید از آن ها آگاهی داشته و به هنگام خرید این اطلاعات را در نظر بگیرد. از این رو در زیر هر عامل را به صورت جدا بررسی خواهیم کرد.
ابتدا باید مشخص شود که خریدار به کدام نوع از تابلو بانک خازنی احتیاج دارد. همان طور که می دانید تابلو بانک خازنی دارای انواع روغنی، خشک، گازی و سرامیکی هستند. هر کدام از این تابلو ها برای راه اندازی به نقشه و تجهیزات به خصوص احتیاج دارند که این عوامل بر قیمت تاثیر گذارند.
همچنین دو نوع بانک خازنی نیز بر اساس مکانیزم جبران سازی دسته بندی شده اند که بانک خازنی ثابت و بانک خازنی اتوماتیک نامیده می شوند. هر کدام از این تابلوها که مزایای بیشتری داشته باشند و استفاده از آن ها رایج تر باشد ممکن است قیمت بالاتری هم داشته باشند. البته در بعضی نیز تعداد قطعات استفاده شده باعث افزایش قیمت می شود. به عنوان مثال تعداد قطعات و تجهیزات بانک خازنی اتوماتیک بیشتر است.
در بالا بیان شد که تجهیزات استفاده شده در تابلو بانک خازنی به صورت مستقیم بر قیمت تاثیر گذارند. اگر قصد استفاده از قطعات برند و ساخت خارج از کشور را دارید، باید بدانید که قیمت تمام شده تابلو خازن در این صورت بیشتر خواهد شد. هم چنین ممکن است تابلوی شما به چند نقشه برای شروع کار نیاز داشته باشد. از این رو باید هزینه بیشتری برای آن شود.
از این رو به شما پیشنهاد می کنیم با توجه به تغییرات قیمت ارز و بالا و پایین رفتن بهای قطعات تابلو برق، قبل از اقدام به خرید به صفحه نخست سایت ساتل تابلو آسیا مراجعه کرده و با مشاوران حاذق این سایت درباره قیمت دقیق تابلو تماس بگیرید.
بعد از اینکه درباره قیمت تابلو بانک خازنی اطلاع پیدا کردید نوبت به خرید آن می رسد. با این حال شما باید خرید تابلو بانک خازنی را با آگاهی بالا انجام دهید. از این رو مانند قسمت استعلام قیمت، باید نیاز های خود از یک تابلو خازنی را مشخص کنید. اگر قصد خرید بانک خازنی سه فاز با انواع اتوماتیک یا ثابت و هر نوع دیگر را دارید، باید نیاز های واحد شما را به صورت کامل برطرف کند. سپس باید بررسی کنید که تابلو را از کجا خریداری کرده و به عبارت دیگر کار ساخت آن را به چه کسانی بسپارید. شرکت ساتل تابلو آسیا در این زمینه با سابقه و تجربه بالا می تواند تمامی انواع بانک خازنی را توسط مهندسان حاذق خود بسازد. شما می توانید برای خرید تابلو بانک خازنی به این سایت مراجعه کرده و پس مشورت سفارش خود را ثبت کنید.
ممکن است شما نیاز به خرید چند تابلو بانک خازنی داشته باشید. به عنوان مثال برای یک مرکز خرید یا مجتمع تجاری نیاز به تابلو بانک خازنی برای پروژکتور ها یا آسانسور ها داشته و برای لامپ های محوطه نیاز به تابلو خازنی برای ترانس لامپ ها وجود داشته باشد.
در این صورت بهتر است خرید خود را به صورت یک جا از شرکتی انجام دهید که توانایی ساخت تمامی این انواع را داشته باشد. ساتل تابلو این توانایی را داشته و می تواند نیاز های شما را برطرف کند. هم چنین قطعات استفاده شده در تابلو های این شرکت از بهترین انواع موجود در بازار است.
با توجه به وظیفه بانک خازنی و مزایایی که دارد، شامل معایبی نیز می شود که باید به آن ها توجه کرد. به عنوان مثال بانک خازنی در پست برق اگر وجود داشته باشد، این معایب ممکن است باعث از کار افتادن مدار یا آسیب جدی و هزینه شود. برخی از معایب بانک خازنی به صورت کلی به این صورت است که اگر ولتاژ نامی افزایش یابد، باعث آسیب به خازن ها می شود هم چنین هزینه تعمیر خازن آسیب دیده بسیار زیاد است. تعدادی دیگر از این معایب به شرح زیر است.
در بانک های خازنی، واحدهای خازن به صورت سری با سلف متصل می شوند. گاهی اوقات ولتاژ در واحد های خازن بیش از مقادیر طراحی شده است که این معمولا به دلیل کاربرد بانک خازنی اتفاق می افتد. در چنین شرایطی، بانک های خازن به دلیل نامناسب بودن ولتاژ، به طرز فاجعه باری از کار می افتند. به همین دلیل است که باید کار بانک خازنی از ابتدا کاملا مشخص و ولتاژ یکسان باشد.
خازن هایی که در شرایط بسیار گرم کار می کنند ممکن است به دلیل دمای بیش از حد از کار بیفتند. گرمای بیش از حد می تواند به دلیل دمای بالای محیط، گرمای تابش شده از تجهیزات مجاور یا تلفات اضافی باشد. این ممکن است روی قیمت تابلو برق بانک خازنی تاثیر بگذارد و آن را بیشتر کند. زیرا به سیستم خنک کننده با قدرت بیشتری نیاز است.
قیمت بانک خازن یکی از مهم ترین مواردی است که برای تابلو برق خازنی در نظر گرفته می شود. یکی از مواردی که می تواند بر قیمت بانک خازنی تاثیر بگذارد و آن را بیشتر کند بارهای غیر خطی در سیستم است که مانند قوس الکتریکی عمل کرده و هارمونیک ایجاد می کند. اگر تنظیم خازن ها درست نباشد ممکن است جریان های هارمونیک بیش از حد از طریق بانک خازن ایجاد شود. این جریان ها نیز باعث گرم شدن بیش از حد و خرابی واحد های خازن می شوند. پس بسیار مهم است که بانک های خازنی در بهترین مکان ممکن و با کیفیت بسیار بالا نصب شوند.
در این مقاله در مورد تابلو بانک خازنی و موارد استفاده و مزایای آن صحبت شد؛ همچنین به موارد نگهداری آن و دلایل استفاده بانک خازنی اشاره گردید. برای کسب اطلاعات بیشتر در مورد مشخصات و قیمت تابلو بانک خازنی و خرید محصولی با کیفیت به سایت ساتل تابلو مراجعه نمایید.
سئوالات متداول:
بانک خازنی سه فاز به منظور بهبود عملکرد سیستمهای قدرت سه فاز استفاده میشود. این بانک خازنی با ایجاد جریان الکتریکی در خود، توان را فعال میکند و برای کاهش هدررفت انرژی، از طریق کمک به موتورهای القایی و ماشینآلات سه فاز، تعدیل کننده توان میشود. بانک خازنی سه فاز به صورت ماژولار طراحی شده است و قابلیت اضافه کردن و یا کم کردن ماژولها برای تنظیم توان مورد نیاز را دارد.
انواع بانک خازنی سه فاز عبارتند از: بانک خازنی موتور، بانک خازنی تصحیح فاکتور قدرت، و بانک خازنی هارمونیک. ویژگیهای هر یک از این بانکها متفاوت است. بانک خازنی موتور به عنوان جبران کننده توان راکتیو در مدارهای الکتریکی با بار سنگین مانند موتورهای بزرگ استفاده میشود. بانک خازنی تصحیح فاکتور قدرت به عنوان جبران کننده توان راکتیو و تصحیح فاکتور قدرت در شبکههای الکتریکی با بارهای متوسط و بزرگ مورد استفاده قرار میگیرد. بانک خازنی هارمونیک به عنوان جبران کننده هارمونیکهای بوجود آمده در شبکههای الکتریکی با بارهای غیرخطی مانند کامپیوترها و صنایع الکترونیکی استفاده میشود.
بانک خازنی سه فاز می تواند به صورت مستقیم یا از طریق کنترلرهای اتوماتیکی در مدارهای برقی نصب شود. روش های نصب بانک خازنی سه فاز عبارتند از:
نصب درون پایههای فلزی: در این روش، بانک خازنی سه فاز را درون پایههای فلزی قرار میدهند که به صورت عمودی روی زمین قرار میگیرند.
نصب درون یک کابینت: در این روش، بانک خازنی سه فاز را درون یک کابینت قرار میدهند. کابینت شامل دربهای قفل شده است که جهت دسترسی به بانک خازنی، میتوان آنها را باز کرد.
نصب بر روی پایههای چوبی: در این روش، بانک خازنی سه فاز را روی پایههای چوبی قرار میدهند که معمولاً برای بانک خازنی های کوچک استفاده میشوند.
نصب بر روی دیوار: در این روش، بانک خازنی سه فاز را بر روی دیوار نصب میکنند.
در هر یک از روش های نصب بانک خازنی سه فاز، لازم است که توجه به مواردی مانند نوع بانک خازنی، ظرفیت و وزن بانک خازنی، نیاز به خنکسازی و ایمنی و قابلیت دسترسی برای تعمیر و نگهداری شود.
بانک خازنی سه فاز و بانک خازنی تک فاز، از نظر تعداد فازها و تعداد خازنها متفاوت هستند. بانک خازنی سه فاز دارای سه فاز است و برای استفاده در سیستمهای سه فاز طراحی شده است، در حالی که بانک خازنی تک فاز دارای یک فاز است و برای استفاده در سیستمهای تک فاز طراحی شده است. علاوه بر این، بانک خازنی سه فاز دارای خازنهای بزرگتری است که برای کنترل و تعادل بار در سیستمهای سه فاز استفاده میشوند، در حالی که بانک خازنی تک فاز دارای خازنهای کوچکتری است که برای تصحیح فاز و کاهش تلفات در سیستمهای تک فاز مورد استفاده قرار میگیرند.
بانک خازنی یکی از تجهیزات مهم در پستهای برق است که برای کنترل و تنظیم ولتاژ و توان در سیستمهای توزیع برق استفاده میشود. این تجهیزات با تمرکز بر روی مسئلهی کاهش افت ولتاژ در خطوط توزیع برق کار میکنند. بانک خازنی به عنوان یکی از راه حلهای مهم برای بهبود عملکرد و کارایی شبکههای توزیع برق محسوب میشود. این تجهیزات در پستهای برق برای بهبود عملکرد سیستمهای توزیع برق به کار میروند.
انتخاب خازن تابلو برق سه فاز بستگی به مصرف برق، نوع بار و ظرفیت خازن مورد نظر دارد. برای انتخاب مناسب ترین خازن، از فرمولهای ریاضی مربوط به محاسبه ظرفیت خازن استفاده میشود. در این رابطه، عواملی همچون جریان بار، فرکانس برق و جریان شارژ خازن باید مورد توجه قرار گیرند. همچنین نیاز به خازن در مقدار بیشتری برای کاربردهایی مانند کاهش قدرت راکتیو و اصلاح ضریب توان، نیاز به بانک خازنی بیشتری را ایجاب میکند. در هر صورت، برای انتخاب خازن مناسب، بهتر است به مهندسان برق و افراد متخصص مشاوره بگیرید.
بله، استفاده از بانک خازنی برای منزل میتواند به کاهش هزینه برق منزل کمک کند. با افزایش تعداد دستگاههای الکتریکی در منزل، مصرف برق نیز افزایش مییابد. برخی از این دستگاهها به دلیل نوسانات جریان الکتریکی که تولید میکنند، باعث افزایش ضریب قدرت و تلفات انرژی در شبکه میشوند. با نصب بانک خازنی در مدار الکتریکی منزل، این تلفات انرژی کاهش یافته و همچنین میزان پرداخت صورتگرفته به عنوان قدرت مصرفی کاهش پیدا میکند. به همین دلیل، استفاده از بانک خازنی برای منزل میتواند به کاهش هزینه برق کمک کند.
بانک خازنی در سیستمهای برقی به عنوان یک عنصر پشتیبان و کمکی عمل میکند. وظایف اصلی بانک خازنی عبارتند از:
کاهش تلفات انرژی: با نصب بانک خازنی، تلفات انرژی در سیستم برقی کاهش مییابد؛ زیرا با استفاده از خازنها، انرژی اضافی به سیستم تزریق میشود و با این کار، موجب کاهش تلفات انرژی و افزایش بهرهوری سیستم میشود.
کاهش هزینههای برق: با کاهش تلفات انرژی، هزینههای برقی نیز کاهش مییابد و به مرور زمان، هزینه نصب و نگهداری بانک خازنی توسط صرفهجویی در هزینههای برق جبران میشود.
پایدار سازی ولتاژ: بانک خازنی موجب پایدار سازی ولتاژ در سیستم برقی میشود. در صورتی که بار برقی در سیستم برقی زیاد شود، ولتاژ آن نیز کاهش پیدا میکند. با استفاده از بانک خازنی، میزان ولتاژ در سیستم برقی پایدارتر میشود و برقهای نامنظم در سیستم برقی کاهش مییابند.
کاهش هزینههای تعمیر و نگهداری: بانک خازنی موجب کاهش هزینههای تعمیر و نگهداری در سیستم برقی میشود. زیرا با استفاده از بانک خازنی، سیستم برقی پایدارتر میشود و تجهیزات الکتریکی کمتر خراب میشوند و نیاز به تعمیرات کمتری دارند.
بهبود عملکرد سیستم: بانک خازنی بهبود عملکرد سیستم برقی را به ارمغان میآورد؛
استفاده از بانک خازنی همراه با معایب و مشکلاتی نیز همراه است که عبارتند از:
۱- حرارت بالا: در بانک خازنی، به دلیل ایجاد تعداد زیادی خازن، دمای بانک خازنی بالاتر از معمول خواهد بود که میتواند باعث کاهش عمر خازنها شود.
۲- خطر الکتریکی: بانک خازنی با ولتاژ بالا مشکلاتی مانند حرکت الکترونها و ترک خوردن بعضی از اجزای آن را در بر دارد که ممکن است باعث بروز خطر الکتریکی شود.
۳- ایجاد هارمونیک: بانک خازنی میتواند هارمونیکهای برق شبکه را تشدید کند و در نتیجه باعث اختلال در تجهیزات متصل به شبکه شود.
۴- هزینه بالا: بانک خازنی هزینه بالایی دارد و بسته به نوع و میزان آن میتواند گاهی اوقات باعث افزایش هزینههای اولیه پروژه شود.
۵- نیاز به فضای بیشتر: نصب بانک خازنی معمولاً فضای بیشتری نسبت به سایر تجهیزات الکتریکی میطلبد که در برخی از محیطها مشکلاتی ایجاد میکند.
با این وجود، با در نظر گرفتن مزایا و معایب آن، بانک خازنی هنوز به عنوان یکی از راهحلهای مناسب برای بهبود عملکرد سیستم برق مورد استفاده قرار میگیرد.
بانک خازنی به دو دسته تک فاز و سه فاز تقسیم میشود. در هر دسته بانک خازنی نیز میتواند با توجه به نوع و ویژگی خازنها، ظرفیت و جریان قابل تحمل، شکل و ابعاد و نحوه نصب و کاربرد، متفاوت باشد. از جمله انواع بانک خازنی عبارتند از:
هر نوع بانک خازنی به منظور کاربردهای خاص و با توجه به ویژگیهای مختلف خازنهای استفاده شده، مناسب برای مصارف مختلفی میباشد.
نصب خازن در تابلو برق با توجه به نوع و سایز خازن و نیازهای برقی متفاوت است. در کل، برای نصب خازن در تابلو برق، باید ابتدا تمام تجهیزات برقی را خاموش کرده و سپس به موارد زیر توجه کرد:
۱. انتخاب محل مناسب: باید محل مناسبی برای نصب خازن در نزدیکی تابلو برق پیدا کرد. این محل باید خشک و خنک باشد و از تمام مواد قابل اشتعال دور باشد.
۲. انتخاب خازن مناسب: با توجه به بار برقی و ولتاژ مورد نیاز، خازن مناسب باید انتخاب شود. برای انتخاب خازن مناسب، باید به مشخصات خازن ها و توان برقی آنها توجه کرد.
۳. نصب خازن: پس از انتخاب خازن مناسب، باید آن را به منبع برق وصل کرد. در این مرحله، باید مراقب باشید که خازن درست و به درستی وصل شده باشد و هیچ خطری برای نصب کننده و تجهیزات برقی وجود نداشته باشد.
۴. تست و عیب یابی: پس از نصب خازن در تابلو برق، باید آن را تست کرد تا اطمینان حاصل شود که به درستی کار میکند. در صورت وجود هر گونه مشکل و عیب در خازن، باید آن را بررسی و تعمیر کرد.
عیب یابی بانک خازنی به دلیل عدم عملکرد درست آن در سیستم الکتریکی مورد نیاز است. در زیر به برخی از مشکلات مشترک بانک خازنی و روش های عیب یابی آن ها اشاره می کنیم:
کاهش ولتاژ خروجی بانک خازنی: یکی از دلایل این مشکل می تواند کاهش ظرفیت خازن یا وجود خازن های خراب باشد. راه حل این مشکل شامل جایگزینی خازن های خراب و یا افزایش تعداد خازن ها در بانک خازنی است.
افت ولتاژ در داخل بانک خازنی: این مشکل معمولا به دلیل اتصالات نامناسب، خازن های خراب و یا سیم های الکتریکی شکسته است. برای رفع این مشکل، باید اتصالات بررسی شده و تعویض خازن های خراب صورت گیرد.
بار غیر متعادل در بانک خازنی: اگر بار برای تعداد خازن های بیشتری طراحی شده باشد، بار غیر متعادل می شود و ممکن است باعث خرابی خازن ها شود. راه حل این مشکل شامل افزایش تعداد خازن ها در بانک خازنی است.
نوسانات ولتاژ خطی: این مشکل ممکن است به دلیل نوسانات ولتاژ در خطوط برق یا دستگاه های الکتریکی نامناسب باشد. برای رفع این مشکل، باید خطوط برق بررسی شده و دستگاه های الکتریکی بازبینی شوند.
استفاده از بانک خازنی در دیزل ژنراتور میتواند به بهبود عملکرد و کارایی سیستم کمک کند. در زیر چند نکته در خصوص استفاده از بانک خازنی در دیزل ژنراتور آورده شده است:
۱- کاهش هزینههای تولید برق: استفاده از بانک خازنی در دیزل ژنراتور میتواند به کاهش هزینههای تولید برق کمک کند، زیرا خازنها در حالت عادی انرژی را از طریق شارژ شدن و ذخیره کردن آن، آزاد میکنند و با این کار از انرژی خریداری شده کمتری استفاده میشود.
۲- بهبود توان فرکانسی: استفاده از بانک خازنی در دیزل ژنراتور میتواند بهبود توان فرکانسی را به دنبال داشته باشد، زیرا خازنها میتوانند به طور موقت توان فرکانسی را افزایش دهند.
۳- کاهش نوسانات ولتاژ: بانک خازنی در دیزل ژنراتور میتواند به کاهش نوسانات ولتاژ کمک کند، زیرا خازنها با جذب انرژی اضافی در حالتی که ولتاژ به نحوی کاهش یافته است، میتوانند به ثابت نگه داشتن ولتاژ کمک کنند.
۴- کاهش ضریب توان: استفاده از بانک خازنی در دیزل ژنراتور میتواند به کاهش ضریب توان کمک کند، زیرا خازنها به توان فعال اضافی نیاز دارند تا شارژ شوند و در نتیجه، توان فعال سیستم افزایش مییابد.
برای طراحی بهینه بانک خازنی میتوانید از روشهای مختلفی استفاده کنید، این روشها به شرح زیر هستند:
محاسبه توان پیک مصرفی: ابتدا توان پیک مصرفی بار را با استفاده از دستگاههای اندازهگیری تعیین کنید.
محاسبه توان مفید: توان مفید بار به معنی قدرتی است که در واقع بار از آن بهره میبرد. برای محاسبه توان مفید باید ضریب قدرت بار را محاسبه کنید.
محاسبه توان ضروری بانک خازنی: با استفاده از توان پیک مصرفی و توان مفید بار میتوانید توان ضروری بانک خازنی را محاسبه کنید.
محاسبه ظرفیت بانک خازنی: با توجه به توان ضروری بانک خازنی و ولتاژ سیستم برق، ظرفیت بانک خازنی را محاسبه کنید.
انتخاب نوع خازن: با توجه به ظرفیت مورد نیاز و ولتاژ سیستم برق، خازنهای مناسب را انتخاب کنید.
نصب و اتصالات: پس از انتخاب خازنها، آنها را در جای مناسبی نصب کنید و به صورت صحیح و با دقت اتصالات را برقرار کنید.
آزمایش و عیبیابی: برای اطمینان از صحت عملکرد بانک خازنی، آن را با استفاده از دستگاههای اندازهگیری و آزمایش، آزمایش کنید و در صورت وجود عیب، عیبیابی کنید.
تنظیمات و تعدیلات: در صورت نیاز، با توجه به شرایط و نیاز سیستم برق، تنظیمات و تعدیلات لازم را برای بانک خازنی اعمال کنید.
بانک خازنی یک تجهیز الکترونیکی است که برای بهینهسازی جریان الکتریکی در شبکه برق استفاده میشود. روشهای اتصال بانک خازنی به شبکه برق عبارتند از:
اتصال مستقیم: در این روش، بانک خازنی به شبکه برق متصل میشود و درواقع به عنوان یک بخش از شبکه عمل میکند.
اتصال توسط ترانس: در این روش، بانک خازنی از طریق یک ترانس به شبکه برق متصل میشود.
اتصال به عنوان کامپنزاتور: در این روش، بانک خازنی به عنوان یک کامپنزاتور عمل میکند و به شبکه برق متصل میشود.
اتصال به عنوان فیلتر: در این روش، بانک خازنی به عنوان یک فیلتر عمل میکند و برای جلوگیری از نویزهای الکتریکی به شبکه برق متصل میشود.
اتصال به عنوان کنترلر ولتاژ: در این روش، بانک خازنی به عنوان یک کنترلر ولتاژ عمل میکند و به شبکه برق متصل میشود تا ولتاژ را در محدوده مشخصی نگه دارد.
اتصال به عنوان کنترلر توان: در این روش، بانک خازنی به عنوان یک کنترلر توان عمل میکند و به شبکه برق متصل میشود تا توان را در محدوده مشخصی نگه دارد.
اتصال به عنوان کنترلر ضریب قدرت: در این روش، بانک خازنی به عنوان یک کنترلر ضریب قدرت عمل میکند و به شبکه برق متصل میشود تا ضریب قدرت را در محدوده مشخصی نگه دارد.
بانک خازنی تک فاز یک سیستم الکترونیکی است که معمولاً شامل چندین خازن تک فاز میباشد. مراحل ساخت بانک خازنی تک فاز عبارتند از:
تعیین نیاز به بانک خازنی تک فاز: قبل از هر چیز باید نیاز به بانک خازنی را بررسی کنید. برای این کار باید توان مصرفی بارهای الکتریکی موجود در سیستم را محاسبه کرده و مقدار خازن مورد نیاز را محاسبه کنید.
انتخاب خازنها: پس از محاسبه مقدار خازن مورد نیاز، باید خازنهای مناسب را برای استفاده در بانک خازنی تک فاز انتخاب کنید. باید به مشخصات فنی خازنها، مانند ظرفیت، ولتاژ و غیره توجه کنید.
اتصال خازنها: بعد از انتخاب خازنها، باید آنها را به یکدیگر و به مدار الکتریکی مربوطه وصل کنید. باید مطمئن شوید که اتصالات صحیح و با کیفیت هستند.
محاسبه مقادیر خازن: بعد از اتصال خازنها، باید مقدار دقیق خازنها را محاسبه کنید تا اطمینان حاصل کنید که مقدار خازنها بهینه و مطابق با نیاز سیستم است.
آزمایش و عیبیابی: بعد از ساخت بانک خازنی تک فاز، باید سیستم را تست کنید تا اطمینان حاصل کنید که عملکرد آن بهینه است. اگر هر گونه مشکلی وجود دارد، باید آن را شناسایی کرده و بهبود بخشید.

تمام حقوق مادی و معنوی این سایت نزد شرکت ساتل تابلو آسیا محفوظ است
© 2026 SATELTABLO.COM ALL RIGHTS RESERVED

درود بر شما ، برای گفت و گو لطفا با کارشناس ما ارتباط برقرار کنید و یا در ساعات اداری با شماره 02157718 تماس حاصل فرمایید.