برق اضطراری در مواقعی که برق اصلی شهر قطع می شود بسیار کاربردی است که آن را می توان به دو طریق راه اندازی کرد. استفاده از سیستم های UPS یا همان برق اضطراری بدون وقفه است که بلافاصله بعد از قطعی برق جایگزین برق اصلی می شود و برای زمان هایی که نباید هیچ گونه قطعی در برق ایجاد شود کاربرد دارد. روش دیگر پیاده سازی مدار چنج اور اتوماتیک است که در این سیستم دیزل ژنراتور وظیفه تامین برق اضطراری بر عهده دارد.
در این روش چند ثانیه بعد از قطع برق دیزل وارد مدار شده و برق اضطراری وصل شده و به صورت اتومات با امدن برق شهر، دیزل خاموش می شود.
برای استعلام قیمت، مشاوره و خرید تابلو برق چنج آور لطفا با شماره 02157718 تماس حاصل فرمایید.
چنج آور (Changer) یک دستگاه الکترونیکی است که وظیفه تغییر سطح ولتاژ یا جریان بین منابع مختلف را دارد. در سیستمهای برقی و الکترونیکی مانند تجهیزات صنعتی و نیروگاهها، چنج آورها برای توزیع برق و انتقال آن به مصرفکنندگان نهایی استفاده میشوند. همچنین، چنج آورها در سیستمهای خودروهای برقی و ماشینآلات نیز بهکار میروند.
این دستگاهها معمولاً شامل ترانسهای جریان و ولتاژ، دیودها، تریستورها و کنترلکنندههای الکترونیکی هستند. برای انجام عملیات چنج و تغییر سطح ولتاژ یا جریان، سیگنال الکتریکی ورودی به دستگاه تحلیل شده و سپس بهمنظور تولید سیگنال خروجی مناسب، از ترانسها و دیودهای مربوط به چنج آور استفاده میشود. در نتیجه، چنج آورها ابزاری کارآمد برای تغییر سطح ولتاژ و جریان در سیستمهای برقی و الکترونیکی هستند
تابلو برق چنج آور به معنی تابلو برق تغییر وضعیت است که می تواند به شکل خودکار بین دو ورودی برق عمل نماید. معمولا به تجهیزاتی که برای جابجایی بار به سایر منابع مثل دیزل ژنراتور اضطراری به کار می روند تابلو برق چنج آور گفته می شود.
برای بازگرداندن جریان برق در صورت قطع شدن برق اصلی شهر می توان با استفاده از این تابلو برق ها دو منبع ورودی و یک خروجی در شبکه ورودی جریان برق سیستم ها ایجاد کرد. در این صورت اگر منابع ورودی برق شهری یا برق ژنراتور اضطراری قطع شدند می توان با اتصال ورودی دیگر برق را به سیستم وصل کرد.


تابلو برق های چنج آور از لحاظ نوع قطعات فنی و تجهیزات اصلی، مشخصات فنی یکسانی دارند ولی بسته به قطعات داخلی تابلو و آمپر دیزل آن ها می توانند در ابعاد مختلفی طراحی و تولید شوند. آگاهی از مشخصات فنی تابلو برق چنج آور باعث می شود افراد بتوانند این تابلو را متناسب با شبکه های ورودی جریان های برق سیستم مدنظر خود انتخاب و خریداری نمایند. برخی از ویژگی های فنی تابلو برق چنج آور را بیان می کنیم.

برای طراحی و نقشه مدار فرمان تابلو برق چنج آور باید اطلاعات لازم و کاملی را برای انتخاب و خرید تجهیزات مورد نیاز تابلو و نحوه کنترل آن ها به دست آورد. در طراحی مدار فرمان این تابلو برق باید موارد زیر مدنظر قرار گیرد.
تابلو چنج اور دستی یکی از اجزای مهم سیستم برق میباشد که در صورت قطعی تامین برق از شبکه، به عنوان یک منبع اضطراری برای تامین برق مصرف کنندگان استفاده میشود. این تابلو قادر است با تغییر منبع تغذیه از شبکه برق به ژنراتور، از توقف وقتی که شبکه از کار میافتد جلوگیری کند.
همچنین این تابلو شامل یک سوئیچر و تجهیزات الکتریکی مورد نیاز برای اتصال ژنراتور به شبکه برق میباشد.
بعضی از کاربردهای تابلو چنج اور دستی عبارتند از:
با دانستن ویژگیهای تابلو چنج اور دستی و کاربردهای آن، میتوان به خوبی از قابلیت های این تابلو در تأمین برق در صورت وقوع قطعی و اضطراری استفاده کرد.


یکی از تفاوت های تابلو برق اتوماتیک و دستی در تجهیزات کلیدزنی آن ها است که در چنج آور اتوماتیک، کنتاکتورها و کلیدهای کامپکت یا هوایی موتوردار این کار را انجام می دهند و در نوع دستی این تابلو برق دستی از کلید 2 طرفه با دو ورودی و یک خروجی استفاده می شود. تابلو برق چنج آور (Change Over) دستی در برق شهر برای انتقال و تغییر برق دیزل ژنراتور، بیمارستان ها، کارخانجات، دامداری ها و گلخانه ها کاربرد دارد و طراحی آن ها بر اساس مصرف توان کل انجام می شود.
نصب تابلو برق چنج آور اتومات بسیار حساس بوده ولی پیچیدگی زیادی ندارد و با به کارگیری آن نیازی به استفاده از اپراتور نیست؛ بنابراین برای زمانی که برق اصلی قطع می شود باید تمهیدات لازم لحاظ گردد و بتوان احتمال قطع شدن منبع برق اضطراری را به حداقل رساند.
هنگام طراحی و استفاده از تابلو برق چنج اور بهتر است که در کنار نکات بالا، به موارد زیر نیز توجه کنید:
نقشه ساخت تابلو برق چنج اور یکی از مهم ترین بخش هاست که معمولا پیش از ساخت تابلو به صورت نقشه حانمایی، تک خطی و یا سه خطی ارائه می شود.
قبل از رنگ آمیزی تابلو حتما با فرآیند اسیدشویی برای از بین چربی ها و فسفات زدایی اقدام کرده و رنگ آمیزی را به صورت پودری یا الکترواستاتیک انجام دهید.

مهم ترین انواع تابلو برق چنج اور به صورت زیر هستند:
1. تابلو برق چنج اور تک فاز: این مدل برای موتور برق های کوچک و تک فاز کاربرد داشته و طراحی آن بر پایه مصرف توان کل انجام می شود.
2. تابلو کنترل parallel و سنکرون: این تابلوها جریان خروجی از دو یا چند منبع را هم جهت و جمع آوری می کنند که اسنفاده از آن ها در زمان کمبود برق (نه قطع کامل) بسیار کاربردی خواهد بود.
3. تابلو برق چنج اور اتوماتیک: این تابلوها پرکاربردترین انواع تابلو با دو مدل ATS و AMF هستند که استفاده از آن ها در تابلو برق های دیزل ژنراتور رایج بوده و باید در آن ها باید حداقل از دو کلید مجزا یا کنتاکتور استفاده کرد.
4. تابلو برق چنج اور دستی: سوئیچ منبع در تابلو برق چنج اور آن به صورت دستی انجام می گیرد و پارامترهای تابلو به راحتی در آن قابل مشاهده هستند.
5. تابلو برق چنج اور AMF: تفاوت این مدل با تابلوهای ATS به نوع تجهیزات کنترلی آن ها باز می گردد اما به طور کلی AMF در زمینه کنترل و حفاظت از دیزل ژنراتور و همچنین هشدار دهی به هنگام بروز نقص فنی و خطا در آن کاربرد دارد.
6. تابلو ATS: تابلوهای ATS به گونه ای عمل می کنند که در زمان فعال بودن و مار کردن یک منبع، منبع دیگر باید قطع باشد. به زبان ساده تر در هر بازه زمانی مشخص تنها یکی از منبع ها قابلیت کار کردن خواهد داشت.
تابلو چنج آور دیزل ژنراتور مسئول کنترل و مدیریت سیستم برقی دیزل ژنراتورهاست. این تابلو با استفاده از سنسورها و تجهیزات الکترونیکی مختلف میتواند سطح بار، ولتاژ، فرکانس و دمای ژنراتور را کنترل و اندازهگیری کند. در صورتی که بار بیش از ظرفیت ژنراتور شود، تابلو برای جلوگیری از خرابی و از کار افتادن ژنراتور، به طور خودکار بار را به بخشهای دیگر منتقل میکند. تابلو چنج آور دیزل ژنراتور همچنین با ایجاد سیگنالهای صوتی و تصویری هشدار در صورت وقوع خطا و یا نواقص، برای پیشگیری از خرابی و یا از کار افتادن ژنراتور بکار میرود.
تابلو چنج آور دیزل ژنراتور شامل اجزای مختلفی است که به طور کلی عبارتند از:
کنترلر ژنراتور: این کنترلر با استفاده از سیگنال هایی که از سنسورهای مختلفی دریافت می کند، عملکرد ژنراتور را کنترل می کند.
سوئیچ چنجر: این سوئیچ بین منبع برق اصلی و ژنراتور سوئیچ می کند و در صورت قطع برق اصلی، ژنراتور را روشن می کند.
دیزل ژنراتور: این قسمت، قسمت اصلی تابلو چنج آور دیزل ژنراتور است که با سوخت دیزل کار می کند و برق تولید می کند.
باطری: باطری ها جهت ذخیره انرژی و تامین برق مورد نیاز برای شروع ژنراتور استفاده می شوند.
سنسورها: سنسورها برای اندازه گیری و کنترل وضعیت و عملکرد دیزل ژنراتور استفاده می شوند. به عنوان مثال، سنسور دما برای اندازه گیری دمای دیزل ژنراتور و سنسور سطح سوخت برای اندازه گیری سطح سوخت در باک تانک استفاده می شوند.
شمع ها و کابل ها: شمع ها و کابل ها برای اتصال قطعات مختلف تابلو به همدیگر و به منابع برق مورد استفاده قرار می گیرند.
کلیدهای کنترل: کلیدهای کنترل برای کنترل و عیب یابی ژنراتور استفاده می شوند.
نشانگرها: نشانگرها جهت نمایش وضعیت ژنراتور و برق تولیدی استفاده می شوند.
نصب و راهاندازی تابلو چنج آور دیزل ژنراتور مراحل زیر را شامل میشود:
نصب تابلو: در ابتدا، تابلو در مکان مناسبی در نزدیکی دیزل ژنراتور نصب میشود و با استفاده از پیچ و مهرههای مناسب به دیوار یا سطح دیگری متصل میشود.
اتصالات الکتریکی: سپس، اتصالات الکتریکی مربوط به تابلو به دیزل ژنراتور انجام میشود. برای این کار باید از کابلهای مناسب استفاده شود.
تنظیمات تابلو: برای راهاندازی تابلو، باید تنظیمات مناسب را بر روی پنل تابلو انجام داد. این تنظیمات شامل قطع و وصل کردن ژنراتور، تنظیم توان و تنظیم ولتاژ خروجی میشود.
تست و راهاندازی: پس از انجام تنظیمات لازم، باید یک تست و راهاندازی کامل بر روی دیزل ژنراتور و تابلو انجام داده شود تا از صحت عملکرد آنها اطمینان حاصل شود.
در هر مرحله از نصب و راهاندازی تابلو چنج آور دیزل ژنراتور، باید از رعایت نکات ایمنی و استانداردهای مربوطه اطمینان حاصل شود.
استفاده از تابلو چنج آور دیزل ژنراتور برای تامین برق در مواقع اضطراری و قطعی برق بسیار مفید است. برخی از مزایای استفاده از تابلو چنج آور دیزل ژنراتور عبارتند از:
پایداری برق: ژنراتور دیزل به طور پایدار برق تولید میکند و با استفاده از تابلو چنج آور، تامین برق برای بارهای حساس در شرایط اضطراری تضمین میشود.
صرفهجویی در هزینههای سوخت: چون ژنراتور دیزل از سوخت گازوئیل استفاده میکند که در مقایسه با سوختهای دیگر ارزانتر است، بنابراین میتواند به صرفهجویی در هزینههای سوخت منجر شود.
عملکرد بالا: ژنراتور دیزل برای تامین برق در بارهای سنگین و پیچیده بسیار مناسب است و با استفاده از تابلو چنج آور، میتوان به سادگی برق برای تجهیزات حساس را تأمین کرد.
عدم وابستگی به شبکه برق: استفاده از ژنراتور دیزل باعث میشود که شما به شبکه برق عمومی وابسته نباشید و در صورت بروز قطعی برق، به سرعت برق خودتان را تأمین کنید.
عدم وابستگی به شرایط آب و هوایی: در برخی از مناطق که شرایط آب و هوایی نامطلوب است، شبکه برق عمومی ممکن است به شدت تحت تأثیر قرار گیرد و قطعی برق طولانیمدت اتفاق بیافتد. با استفاده از تابلو چنج آور دیزل ژنراتور، میتوانید به سرعت برق مورد نیاز خود را تأمین کنید.
اتصال دیزل ژنراتور به شبکه برق شهری به صورت موقت و برای مواقع اضطراری است. برای اتصال دیزل ژنراتور به شبکه برق شهری، ابتدا باید دستگاه را برای این منظور مجهز کرد. به عبارتی، یک تابلو کنترلی و یک ترانسفورماتور در نظر گرفته میشود تا دیزل ژنراتور با شبکه برق شهری ارتباط برقرار کند. سپس با اتصال کابلهای لازم، دیزل ژنراتور به شبکه برق شهری متصل میشود. در صورتی که برق شهری قطع شود، دیزل ژنراتور به صورت خودکار به کار خود ادامه میدهد و برق را تأمین میکند. اتصال دیزل ژنراتور به شبکه برق شهری باید توسط یک کارشناس برق صورت گیرد.
طراحی و ساخت تابلو برق چنج اور روش های متفاوتی درد که از جمله مهم ترین آن ها می توانیم به موارد زیر اشاره کنیم:
طراحی تابلو چنج اور یکی از مهمترین مراحل در ساخت صنایع است و لازم است استانداردهای طراحی آن رعایت شود. در این مقاله، به بررسی برخی از استانداردهای طراحی تابلو چنج اور پرداخته میشود.
یکی از مهمترین استانداردهای طراحی تابلو چنج اور استاندارد IEC 60439-1 است. این استاندارد شامل الزامات طراحی، ساخت، نصب، و تست تابلوهای برقی میشود. این استاندارد برای تضمین ایمنی تابلوهای برقی و جلوگیری از وقوع حوادث برقی تعیین شده است.
همچنین استاندارد IEC 61439-1 نیز در زمینه طراحی تابلو چنج اور استفاده میشود. این استاندارد شامل الزامات مشابه IEC 60439-1 است، با این تفاوت که برای تابلوهای با توان کمتر از 1000 ولت و 3200 آمپر طراحی شده است. همچنین استاندارد NFPA 70E نیز در زمینه طراحی تابلو چنج اور به کار میرود.
این استاندارد شامل الزامات ایمنی برای کارکنان مشغول به کار در نزدیکی تابلوهای برقی است و مشخصاتی از جمله تستهای الکتریکی و نصب محافظتی را تعیین میکند. در کل، رعایت استانداردهای طراحی تابلو چنج اور از جمله IEC 60439-1، IEC 61439-1 و NFPA 70E بسیار مهم است تا ایمنی و بهرهوری تابلوهای برقی را تضمین کرد.
همچنین استفاده از مواد با کیفیت و طراحی مناسب، نصب در موقعیت مناسب و مراقبت از تابلوها در طول زمان نیز میتواند بهبود عملکرد تابلو چنج اور یکی از مهمترین وسایل برقی در صنایع است و برای کنترل و تغییر جریان و ولتاژ برق استفاده میشود. بنابراین، طراحی، ساخت و نصب تابلو چنج اور با رعایت استانداردهای صنعتی و ایمنی بسیار مهم است.
استاندارد IEC 60439-1 شامل الزامات مختلفی برای طراحی، ساخت، نصب و تست تابلوهای برقی است. این استاندارد برای تضمین ایمنی تابلوهای برقی و جلوگیری از وقوع حوادث برقی طراحی شده است. همچنین استاندارد IEC 61439-1 برای تابلوهای با توان کمتر از 1000 ولت و 3200 آمپر طراحی شده است.
همچنین استاندارد NFPA 70E نیز برای ایمنی کارکنان مشغول به کار در نزدیکی تابلوهای برقی طراحی شده است و شامل الزامات ایمنی مشخصاتی از جمله تستهای الکتریکی و نصب محافظتی را تعیین میکند.
طراحی نقشه تابلو چنج اور دیزل ژنراتور یکی از مهمترین مراحل در نصب و راهاندازی این وسیله است. برای طراحی این نقشه، باید از نرم افزارهای کامپیوتری مانند AutoCAD استفاده کرد. در این نرم افزار، ابتدا باید نقشه برق موجود را به همراه تمامی اطلاعات مربوط به دیزل ژنراتور به عنوان ورودی وارد کرد. سپس، با استفاده از ابزارهای موجود در نرم افزار، نقشه تابلو چنج اور اتوماتیک را طراحی کرد.
برای طراحی نقشه، ابتدا باید مدار قدرت را طراحی کرد. سپس، مدار کنترل و سیگنالها را اضافه کرد. همچنین، باید نوع و توان سوئیچهای استفاده شده در تابلو تعیین شود. در این نقشه، نیاز است که تمامی سیمها و محافظها در نظر گرفته شوند و نحوه اتصال آنها به دستگاههای مختلف را نیز باید مشخص کرد.
با طراحی نقشه تابلو چنج اور اتوماتیک برای دیزل ژنراتور، امکان کنترل هوشمند بر روی تولید برق وجود دارد. به این صورت که هنگامی که تولید برق از دیزل ژنراتور به حداکثر میزان میرسد، توان مصرفی کاهش مییابد و در صورت نیاز، بخشهایی از تجهیزات را میتوان به صورت اتوماتیک از روی شبکه برق عمومی تامین کرد. با این روش، میتوان مصرف انرژی را بهینه کرد و هزینههای اضافی را کاهش داد.
مدار چنج اور با کنتاکتور یکی از مدارهای پرکاربرد در صنعت برق است که برای کنترل و تغییر سرعت موتورهای القایی استفاده می شود. این مدار شامل یک کنتاکتور، یک دستگاه چنج اور، یک منبع تغذیه و دستگاههای جانبی مانند دکمه های کنترل و شاخص های وضعیت است.
برای طراحی مدار چنج اور اتومات با کنتاکتور ابتدا باید نیازمندی های موتور القایی خود را شناسایی کنید. این شامل ولتاژ، جریان، فرکانس و سرعت موتور است. برای انتخاب مناسب ترین کنتاکتور و چنج اور باید به این موارد توجه کرد.
سپس باید نقشه مدار را طراحی کرد. برای این کار می توان از نرم افزارهای مختلف طراحی مدار استفاده کرد. در این نقشه باید قطعات مختلف مدار از جمله کنتاکتور، چنج اور، دستگاه های جانبی و ... به همراه اتصالاتشان نشان داده شوند.
پس از طراحی نقشه، باید مدار را با استفاده از قطعات مورد نیاز ساخت. باید از قطعات با کیفیت و استاندارد استفاده کنید تا مدار به درستی عمل کند. پس از ساخت مدار، آن را تست کرده و به دقت اتصالات را بررسی کنید.
در نهایت، مدار را به موتور القایی خود متصل کنید و اتصالات را با دقت بیشتری بررسی کنید. پس از اتصال به موتور، باید مدار را تست کرده و مطمئن شوید که موتور به درستی عمل می کند و هیچ مشکلی وجود ندارد.
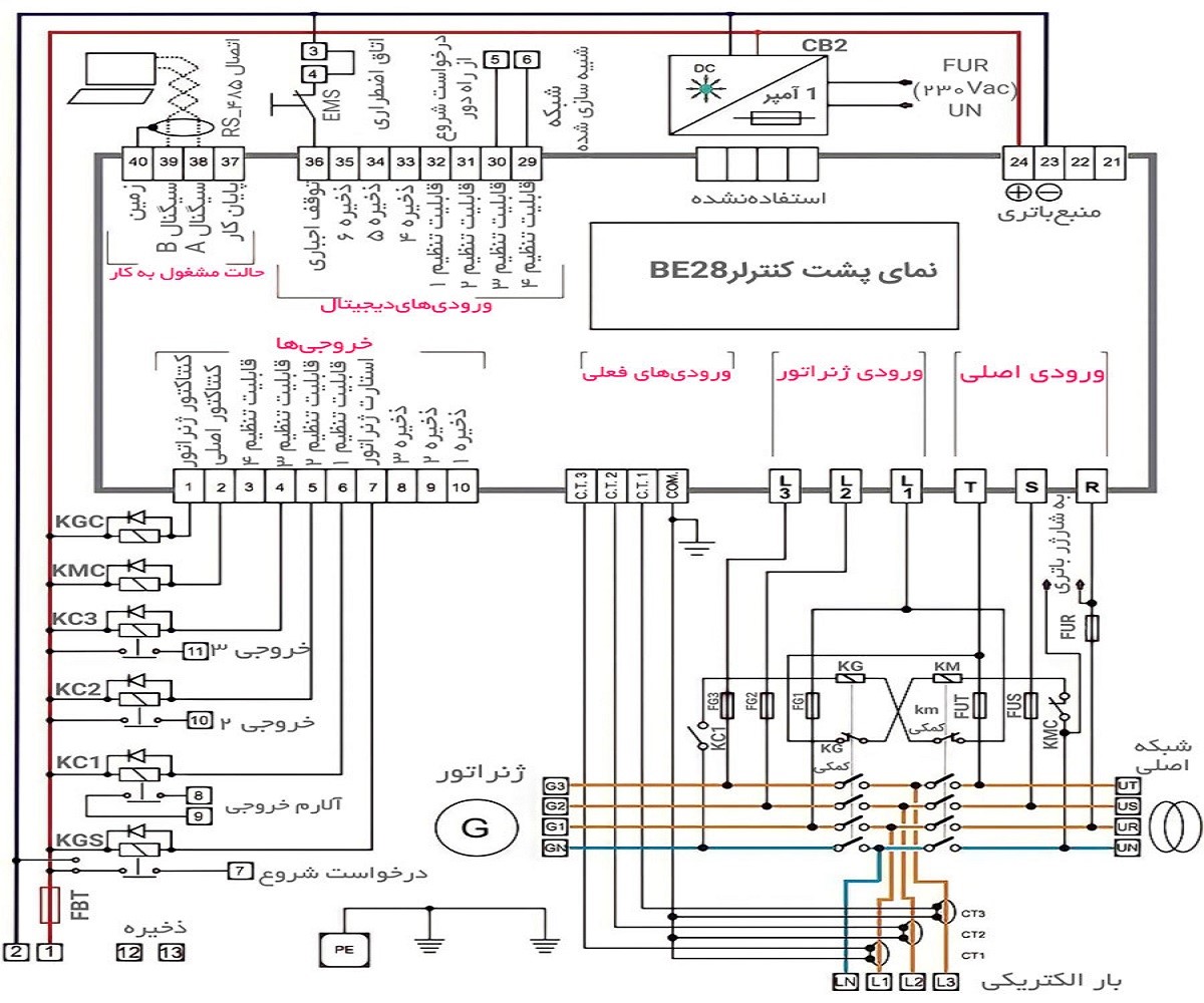
سیم کشی تابلو برق ATS باید به صورت زیر انجام شود: (راهنمای نقشه در جدول شرح داده شده است)

|
CT 1-2-3 |
ترانسفورماتور جریان 400/5 |
|
EMS |
کلید اضطراری |
|
FBT |
فیوز 4 آمپر 38*10 |
|
FG1-2-3 |
فیوز 4 آمپر 38*10 |
|
FUR-S-T |
فیوز 4 آمپر 38*10 |
|
KM |
GH15JN/250 آمپر |
|
KG |
GH14JN/250 آمپر |
|
KGC |
درایو قطع کننده مدار ژنراتور (با کلید دو پل دو حالته 24 ولت DPDT) |
|
KMC |
درایو قطع کننده مدار شبکه (با کلید دو پل دو حالته 24 ولت DPDT) |
|
KC3 |
خروجی قابل تنظیم 3 (با کلید دو پل دو حالته 24 ولت DPDT) |
|
KC2 |
خروجی قابل تنظیم 2 (با کلید دو پل دو حالته 24 ولت DPDT) |
|
KC1 |
رله آلارم خروجی |
|
KGS |
درخواست استارت ژنراتور (با کلید دو پل دو حالته 24 ولت DPDT) |
|
CB2 |
شارژر باتری 24 ولت 5 آمپر (با کلید دو پل دو حالته 24 ولت DPDT) |
برای طراحی این نوع مدار باید حتما به موارد زیر توجه داشته باشید:
مدار فرمان چنج اور اتوماتیک یکی از اصلیترین تجهیزات برق صنعتی است که در اکثر صنایع مورد استفاده قرار میگیرد. این مدار با استفاده از سنسورها، الکترونیک و ماشین آلات، توانایی کنترل و مانیتورینگ تولید و توزیع برق را دارد. کاربردهای این مدار بسیار گسترده است و در ادامه به برخی از مهمترین آنها اشاره میشود.
اولین کاربرد این مدار در کنترل و تنظیم ولتاژ و جریان است. این مدار قابلیت کنترل و تنظیم ولتاژ و جریان برای موتورها و دستگاههای برقی را دارد. این کاربرد در بسیاری از صنایع از جمله صنایع خودروسازی و صنایع مواد غذایی بسیار مهم است.
کنترل فرکانس یکی دیگر از کاربردهای این مدار است. با استفاده از این مدار، فرکانس برق را میتوان تنظیم کرد و برای مصارف مختلف استفاده کرد. این کاربرد در صنایعی مانند صنایع نساجی، صنایع پلاستیکی و صنایع چوبی بسیار مهم است.
کنترل سرعت موتورها نیز یکی دیگر از کاربردهای این مدار است. با استفاده از این مدار، میتوان سرعت موتورها را کنترل کرد و برای کاربردهای مختلف استفاده کرد. این کاربرد در صنایعی مانند صنایع خودروسازی و صنایع تولید دستگاههای الکترونیکی بسیار مهم است.
حفاظت موتورها نیز یکی از کاربردهای این مدار است. با استفاده از این مدار، میتوان برای حفاظت موتورها از اضراری نظیر بار اضافی، تغییرات ولتاژ و جریان استفاده کرد. این کاربرد در بسیاری از صنایعی که از موتورهای برقی استفاده میکنند، بسیار مهم است. به عنوان مثال، در صنایع فولاد، صنایع نفت و گاز و صنایع شیمیایی، حفاظت از موتورها بسیار حیاتی است.
همچنین، مدار فرمان چنج اور اتوماتیک در سیستمهای توزیع برق و سیستمهای نورپردازی نیز کاربرد دارد. این مدار به منظور کنترل و مدیریت نیروی برقی در سیستمهای توزیع برق و همچنین کنترل روشنایی و تاریکی در سیستمهای نورپردازی استفاده میشود.
کلید چنج در تابلو برق یک کلید سوئیچ است که به منظور کنترل سیستمهای برقی مورد استفاده قرار میگیرد. با فشار دادن این کلید، اتصال برق برقرار شده و تجهیزاتی که به آن وصل شدهاند، روشن میشوند. کلید چنج یکی از کلیدهای مهم و پرکاربرد در تابلو برق است و برای کنترل تجهیزات برقی مانند موتورها، پمپها و سایر دستگاهها بهکار میرود.
استفاده از کلید چنج در تابلو برق به عنوان یک کلید کنترل، برای کاربران سیستمهای برقی بهرهمندی بیشتری فراهم میکند. این کلید بهطور معمول در تابلوهای برقی برای کنترل دستگاههای برقی استفاده میشود. در برخی موارد، کلید چنج بهعنوان یک کلید تغییر وضعیت در سیستمهای برقی استفاده میشود. بهعنوان مثال، در سیستمهای تهویه مطبوع، با فشار دادن کلید چنج، وضعیت سیستم از حالت سرمایش به حالت گرمایش تغییر میکند.
با این حال، باید به دقت و با اندازهگیری استفاده از کلید چنج، تجهیزات برقی را کنترل کرد تا خسارت و آسیب به سیستم برقی جلوگیری شود. برای مثال، استفاده نادرست از کلید چنج میتواند باعث بالا رفتن فشار و ایجاد اتلاف در سیستم تهویه مطبوع شود که میتواند باعث خرابی سیستم شود و نیاز به تعمیرات پیچیده و هزینهبر شود.
مهم ترین کلیدهای به کار رفته در تابلو برق چنج اور به شرح زیر می باشند:
نحوه نصب کلید چنج اور به دو مرحله اصلی تقسیم میشود. در مرحله اول، باید محل نصب کلید چنج اور را مشخص کنید. این محل باید به گونهای باشد که کلید به راحتی در دسترس باشد و همچنین بتوانید به سیمهای اتصال آن دسترسی داشته باشید. بهتر است از یک محل مناسب و مرتب با فضای کافی برای نصب کلید چنج اور استفاده کنید.
در مرحله دوم، باید کلید چنج اور را به سیمهای اتصال بپیوندید. برای این کار باید سیمهای اتصال کلید را به سیمهای اتصال موجود در محل نصب کلید متصل کنید. قبل از اتصال سیمها باید اطمینان حاصل کنید که پایههای کلید با ترمینالهای متناظر در سیمهای اتصال تطابق دارند.
پس از اتصال سیمها به کلید چنج اور، میتوانید آن را در محل نصب خود قرار دهید. بهتر است پیش از نصب کلید، تست اتصال سیمهای آن را بررسی کنید تا اطمینان حاصل کنید کلید به درستی کار میکند

برای استعلام قیمت و خرید تابلو برق چنج آور بهترین روش تماس یا مراجعه به شرکت ها و سایت های فروش لوازم الکترونیکی است. در حال حاضر شرکت های مختلفی در زمینه تعمیر و فروش انواع تابلو برق خدمات متنوعی را ارائه می کنند که از بین آن ها باید معتبرترین و تخصصی ترین شرکت را انتخاب کنید. چنانچه شما نیز به دنبال یک شرکت معتبر و با تجربه و دارای گواهینامه های استاندارد هستید ما شرکت ساتل تابلو آسیا را برای خرید تابلو برق چنج آور پیشنهاد می کنیم.
تابلو برق چنج اور یکی از پرکاربردترین تجهیزات، به خصوص در بخش های بیمارستانی و صنعتیست که در تداوم برق رسانی اهمیت ویژه ای دارد. به علت کاربردهای گسترده تابلو چنج اور، این محصولات در انواع مختلفی طراحی و تولید می شوند که این موضوع باعث شده تا قیمت آن ها نیز تفاوت هایی با یکدیگر داشته باشد. به طور کلی نوع برند، شرکت تولید کننده، کیفیت محصول، نوع مواد اولیه به کار رفته در ساخت، ویژگی های تابلو و.. همگی روی قیمت تابلو چنج اور تاثیرگذار خواهند بود. علاوه بر آن، فاکتورهای دیگری مانند جریان مصرفی و سطح ولتاژ نیز از مواردی هستند که بهتر است به آن ها توجه داشته باشید. شما همچنین می توانید برای آگاهی از قیمت های دقیق خرید و فروش تابلو چنج اور، با کارشناسان مجرب مجموعه ساتل تابلو تماس بگیرید.
از آنجایی که تابلوهای چنج اور اهمیت زیادی دارند، شما باید به هنگام خریدشان به نکات مختلفی توجه کنید تا نتیجه آن برای تان رضایت بخش و کاربردی باشد. یکی از اولین نکات پیش رو انتخاب مدل تابلو و نوع تجهیزات کلیدزنی آن است که بیش از هر چیز دیگری به کاربرد نهایی آن بستگی خواهد داشت. در کنار موارد بالا پیشنهاد می کنیم که پیش از سفارش و خرید تابلو چنج اور، برای انتخاب محصولی کاربردی حتما موارد زیر را نیز در نظر بگیرید:
دو نوع تابلو برق چنج آور دستی و اتوماتیک وجود دارند که در این مقاله به بررسی تفاوت های آن ها پرداختیم. گفتیم در تابلو برق چنج آور اتومات با استفاده از دو کلید موتوردار یا دو کنتاکتور و به صورت خودکار عملیات تعویض منبع جریان انجام می گیرد و در نوع دستی آن از کلید دو طرفه برای انجام عملیات استفاده می شود.
سئوالات متداول:
تابلو چنج اور اتوماتیک یک تابلو برق است که برای مدیریت و کنترل باتری های خودروهای الکتریکی و هیبریدی استفاده می شود. با استفاده از این تابلو، می توان باتری های خودرو را به طور خودکار شارژ و تخلیه کرد و بهره وری و عمر مفید آنها را افزایش داد. کاربردهای دیگر این تابلو شامل صنایع بزرگ و کوچک، سیستم های نورپردازی، سیستم های تهویه مطبوع و غیره می شود.
تابلو چنج اور اتوماتیک شامل چندین قطعه مختلف است که هر کدام مسئولیت خاص خود را در کنترل و مدیریت باتری های یک سیستم تولید برق دارند. این اجزا شامل مدارهای الکترونیکی، سوئیچ های برق، ترانسفورماتورها، سنسورها و نمایشگرها هستند. کارکرد تابلو چنج اور اتوماتیک برای مدیریت و کنترل باتری ها، شارژ دهی و تخلیه آنها به صورت خودکار و بهینه است.
نصب و راهاندازی تابلو چنج اور اتوماتیک نیازمند اتصال به منبع برق موردنیاز، اتصال به باتری و اتصال به دستگاههای الکترونیکی میباشد. در ابتدا باید اتصالات الکتریکی را بررسی کنید و سپس با استفاده از دفترچه راهنمای نصب، به صورت درست تابلو را نصب و راهاندازی کنید. همچنین پیش از هرگونه عملیات نصب و راهاندازی، حتما دفترچه راهنما و استانداردهای مربوط به نصب و راهاندازی تابلو چنج اور اتوماتیک را مطالعه کنید.
تابلو چنج اور اتوماتیک با توجه به طراحی و ساخت اجزای مقاوم در برابر شرایط فضایی سخت و آب و هوای بد، میتواند در شرایط سختی مانند فضای باز، پارکینگهای با سقف باز و سایر محیطهای بیرونی استفاده شود. با این حال، برای حفظ عمر مفید تابلو و جلوگیری از خرابی در شرایط آب و هوای بد، نگهداری و عیبیابی دورهای توسط تکنسینهای مجرب و متخصص توصیه میشود.
برای طراحی تابلو چنج اور با توجه به نیازهای مشتریان، ابتدا باید نیازهای مشتری را بررسی کرده و مشخص کرد که تابلو چنج اور برای چه منظوری مورد استفاده قرار میگیرد؟ به عنوان مثال، آیا برای استفاده در پارکینگ، ساختمانهای تجاری، مسکونی یا صنعتی است؟
سپس، باید ویژگیهای فنی مورد نیاز را تعیین کرده و اجزای تشکیلدهنده تابلو را مشخص کرد. به عنوان مثال، برای طراحی تابلو چنج اور مخصوص پارکینگ، نیاز به سیستم شناسایی خودرو، سیستم تشخیص موقعیت خودرو، سیستم پرداخت و ... خواهید داشت.
در ادامه، باید از جمله مواد اولیه، ابزارها و تجهیزات لازم برای ساخت تابلو را مشخص کرده و طرح کلی و نحوه نصب تابلو را طراحی کرد.
در طراحی تابلو چنج اور باید به نکاتی نظیر اندازه، طرح و رنگ بندی مناسب توجه کرده تا این تابلو در محیط مورد استفاده زیبا و کارآمد باشد. همچنین احتیاج به در نظر گرفتن استانداردها و مقررات مربوط به نوع تابلو و کاربرد آن است.
مدار کلید چنج اور (Charge Over Switch) یک سیستم کنترلی است که به منظور کنترل شارژ باتری و جلوگیری از شارژ اضافی آن طراحی شده است. در واقع این مدار، در شرایطی که باتری به حداکثر شارژ خود رسیده است، شارژر را قطع میکند و از شارژر جدا میشود تا جلوی شارژ اضافی برای باتری را بگیرد. به این ترتیب، شارژر دیگری با باتری ارتباط برقرار نمیکند و باتری از خرابی جلوگیری میشود.
نصب کلید چنج اور بستگی به نوع کلید و محل نصب دارد. با این حال، مراحل کلی نصب کلید چنج اور به شرح زیر است:
۱. ابتدا باید محل نصب کلید را مشخص کنید و از وجود هر گونه موانعی مانند لولهها و سیمهای برقی اطمینان حاصل کنید.
۲. سوراخ مورد نیاز برای نصب کلید را با استفاده از دستگاه حفاری یا دیوار شکن بر روی دیوار ترسیم کنید.
۳. با استفاده از دیوار شکن، سوراخ مربوطه را در دیوار ایجاد کنید و آن را با یک مته به قطر و ارتفاع دقیق تر تمیز کنید.
۴. کابل برقی و دیگر کابلها را از کابینت یا تابلو برق به کلید چنج اور کشیده و به آن متصل کنید.
۵. کلید را در سوراخ نصب کنید و با استفاده از پیچهای مربوطه روی دیوار ببندید.
۶. با استفاده از یک تستر برقی، کارکرد کلید را تست کنید و از عملکرد صحیح آن اطمینان حاصل کنید.
لازم به ذکر است که نصب کلید چنج اور به دلیل داشتن ولتاژ بالا و خطر شوک الکتریکی، بهتر است توسط یک فنی مجرب و کارآزموده انجام شود.

تمام حقوق مادی و معنوی این سایت نزد شرکت ساتل تابلو آسیا محفوظ است
© 2026 SATELTABLO.COM ALL RIGHTS RESERVED

درود بر شما ، برای گفت و گو لطفا با کارشناس ما ارتباط برقرار کنید و یا در ساعات اداری با شماره 02157718 تماس حاصل فرمایید.